-
FDI-DICHTUNGENFRIEDRICH密封圈Typ: 6737
详细信息| 询价留言品牌:FDI-DICHTUNGEN 型号:Typ: 6737 希而科工业控制设备(上海)有限公司
希而科贸易(上海)有限公司
浦赟-售前组
Tel:
QQ: ---
E-mail:
公司地址:上海浦东新区川沙王桥路999号1034-1035幢
1.FDI-DICHTUNGEN德国厂家介绍
FDI-DICHTUNGEN交付计划包括*大直径为2500 mm的环形和剖分式密封,适用于-40至+200°C的温度和高达50巴的压力,以及适用于高达630巴的液压系统高压应用的液压自动填料。
此外,FDI-DICHTUNGEN还提供硬质金属和陶瓷涂层的轴和套筒,采用无缝隙和无缝隙的分体式。
FDI-DICHTUNGEN用于旋转轴和液压应用的密封件主要用于:水利工程;轴承和推进技术;发电厂设备;食品技术设备;泵送和物料搬运设备;轧机技术;齿轮制造;海洋和海上应用;冲压和气缸制造;热销型号。
FRIEDRICH GmbH成立于1981年,是一家家族经营的中型公司。我们专门生产用于特殊部件和极端应用的特殊密封件。
在克雷菲尔德工厂,FDI从事密封件和密封系统的开发和生产已有四十年的历史。几十年的经验使FDI成为开发超标准密封件的理想合作伙伴。
我们通过了DIN EN ISO 9001:2015认证。
FDI-DICHTUNGEN常见热销型号型号 清关品名 品牌 06400006700001800P1S 密封圈 FDI-DICHTUNGEN 1275001335002200097Q 密封圈 FDI-DICHTUNGEN 0640000690002050097Q 密封圈 FDI-DICHTUNGEN 12750013050001800P1S 密封圈 FDI-DICHTUNGEN Typ:11 Abm.478,00x530,20x19,10 密封圈 FDI-DICHTUNGEN Typ:11 Abm.478,00x530,20x19,10 密封圈 FDI-DICHTUNGEN
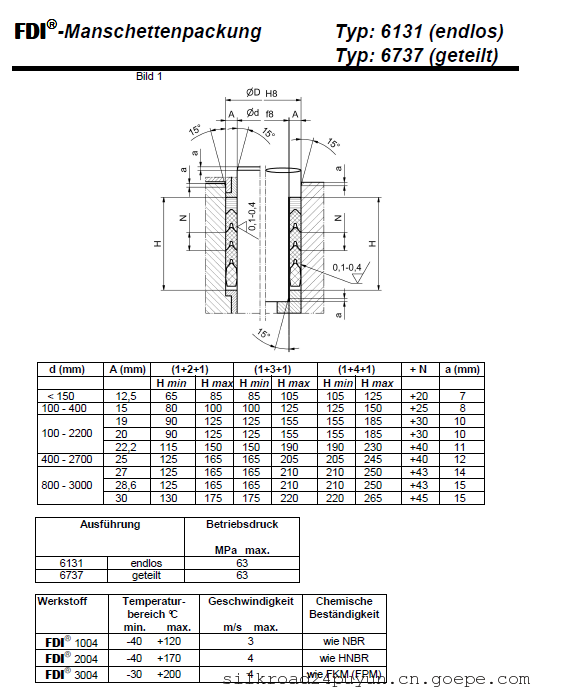
2.FDI-DICHTUNGEN Typ: 6737密封圈产品介绍
FDI-DICHTUNGEN Typ: 6737 Nr.0640000690002050097Q
FDI-MANSCHETTENPACKUNG :6737
版本:带FDI-SPECIAL打印环
双重分割
尺寸:640.00 x 690.00 x 205.00
材料:FDI 2004/ FDI 8000
单位重量:14.30千克
FDI-DICHTUNGEN Typ: 6737 Nr.1275001335002200097Q
版本:带FDI-SPECIAL打印环
双重分割
尺寸1275.00 x 1335.00 x 220.00
材料:FDI 2004/ FDI 8000
单位重量:36,40千克
3.密封件介绍
密封,指严密地封闭。语出晋葛洪《抱朴子·金丹》:“又尹子丹法:以云母水和丹,密封致金华池中,一年出,服一刀圭,尽一斤得五百岁。”
密封可分为静密封和动密封两大类。密封是防止流体或固体微粒从相邻结合面间泄漏以及防止外界杂质如灰尘与水分等侵入机器设备内部的零部件或措施。 静密封指严密地封闭密封舱密封容器用于密封函件和遗嘱的印章。
密封可分为静密封和动密封两大类。静密封静密封主要有垫密封、密封胶密封和直接接触密封三大类。根据工作压力,静密封又可分为中低压静密封和高压静密封。中低压静密封常用材质较软宽度较宽的垫密封,高压静密封则用材质较硬接触宽度很窄的金属垫片。动密封密封可以分为旋转密封和往复密封两种基本类型。其他按密封件与其作相对运动的零部件是否接触,可分为接触式密封和非接触式密封;按密封件和接触位置又可分为圆周密封和端面密封,端面密封又称为机械密封。动密封中的离心密封和螺旋密封,是借助机器运转时给介质以动力得到密封,故有时称为动力密封。
装置种类
模压成型大多数橡胶密封件均应用此种成型方法,如各种挤压密封、旋转轴唇形密封、往复动唇形密封圈、复合密封、薄膜密封、波纹管形密封等。
加工成型如矩形密封、活塞环密封、同轴密封(或滑环组合密封)等
板或条类型材如橡胶、纤维增强橡胶、粘接石棉纤维、芳族聚酰胺纤维等,板或条类型材多半用于密封衬垫或填料,橡胶作为石棉及其代用品的粘合剂,其中芳族聚酰胺纤维与加工成型的橡胶圈有时用于航天设备往复动密封。
常见品牌及型号型号 清关品名 品牌 522490 密封套件 intec 512901 密封套件 intec 1.300.013-152 密封套件 SAMAG Nr.224789;BAGUE RACLEUSE~M EXTERNE~1265.5~1297.5~10~SILICONE~INOX 304L~PLAN 451- 384 密封圈1 GARLOCK 73844499 ,Dichtung QHLP 20 x 30 NBR 密封件 KACO 120.3249.13. 密封套件1 Vimoter DS-894 密封套件2 JUD M050000881 密封套件 MVA M050001455 密封套件附件 MVA PF4700009 KIT R14/A 密封套件 Pietro Fiorentini PF4700018 KIT 207/A 密封套件 Pietro Fiorentini 93617020 密封圈 Netter 93617017 密封环 Netter 26302.18.5/00019 AVR/HRAR/RVA O-ring/gasket set DN80 Typ AVR,HRAR,RVA 密封圈套件 GEA FK 6 - ASD 75,00 / 3,30 x 1,65 Mat. 1.0605 密封环 fey 8400020915 密封圈套件 LUKAS 725050 密封圈 KraussMaffei 725810 密封圈 KraussMaffei 4618624 密封圈附件 KraussMaffei MEC01-11686 密封环 GARLOCK MEC01-10947 密封环 GARLOCK MEC01-11714 密封环 GARLOCK 54053 FK 6 - ASD 70,00 / 3,10 x 1,65 Mat. 1.0605 密封环 fey FK 6 - ASD 85,00 / 3,50 x 1,65 Mat. 1.0605 PPS007964 密封环 fey T07722 密封圈 Haberkorn ball and seal kit for 418 DN50; Nr:10085587 密封套件 socla R900851087 密封件 Rexroth Dichtung 69,4 x 59,8 x 6 密封圈 Ecoma 0742 410 0110 机械密封1 cyclam 0705 420 7580 机械密封1 cyclam 262640SET;18,2x17,5 - sada 密封件1 VALID 2626400SET; 12,2x17,5 - sada 密封件1 VALID NGR-125/50-100-1-75-sealingkit 密封套件 oest 65-3000-992 密封圈套件1 PMP ARCOS R000700-0100FP80-BR 密封圈1 hennlich R006000-0150FP80-BR 密封圈1 hennlich S1151/3 R 密封环 FILTON MEC04-12487 密封环 GARLOCK MEC04-11042 密封环 GARLOCK MEC04-11910 密封环 GARLOCK 17072459/030 密封件1 RTK FDIF3R4GB003 密封件 RTK FE15031 密封件2 tecnoseal HA12132 密封圈2 tecnoseal MEC04-13111 密封环 GARLOCK 53202 密封圈 SMW UEK 41F 密封套件1 Kral VDX2D3115015 密封圈套件 EA VDX2D3115025 密封圈套件 EA MD-42-11RD-N 密封件 GPS
-
-
产品搜索
-
产品分类
-
Ahlborn爱尔邦--代理
-
Winkelmann温克尔曼--代理
-
Beck贝克--代理
-
AIRCOM--代理
-
Honsberg豪斯派克--代理
-
PMA--代理
-
Kral--代理
-
Klaschka--代理
-
Lambrecht德国兰博瑞--代理
-
Stoerk--代理
-
ASA-RT--代理
-
proxitron波西铁龙--代理
-
SCHUNK雄克
-
HBM
-
Hoentzsch恒齐
-
Jahns雅恩斯
-
Hydac贺德克
-
Schubert & Salzer
-
Dold
-
baumer宝盟
-
GSR
-
Duplomatic
-
METO-FER
-
Flexschlauch
-
brinkmann布曼
-
R+W
-
Aerolas
-
ROLLON
-
DANLY
-
INTERCONTEC
-
greisinger
-
SCHAFFNER夏弗纳
-
Dunkermotoren德恩科
-
Roehm
-
Landefeld
-
Laetus
-
TECHAP
-
UNIMEC
-
ESD
-
Seika
-
ESCHA
-
heidenhain海德汉
-
Mayr麦尔
-
Bei Sensor/sensata
-
ASUTEC
-
WOERNER 威纳
-
GMC-Instruments/GMC-I
-
SONOTRONIC
-
ZAE
-
GMN
-
LTK
-
Fiessler
-
TWIFLEX
-
BIJUR DELIMON
-
Jaquet杰凯特
-
Goldammer
-
G.R.A.S
-
Minebea Intec茵泰科
-
LORENZ
-
ac-motoren
-
HYPROSTATIK
-
法国MILS
-
Maximator
-
OMAL欧玛尔
-
KRACHT克拉克
-
ARCA
-
Herion海隆
-
Bronkhorst
-
RINGSPAN
-
Pfaff-Silberblau 百富
-
OEMER
-
Badger Meter
-
ATOS阿托斯
-
Bopp & Reuther 博普&罗依特
-
ELABO
-
kistler奇石乐
-
ar filtrazioni
-
Montech
-
knoll
-
BD sensors
-
EAS
-
Reich
-
Stoeber
-
mder pressen
-
knf
-
mahr
-
Haff & Schneider
-
R+L
-
Pietro Fiorentini
-
HFB-waelzlager
-
DMN
-
FDI-DICHTUNGEN---FRIEDRICH
-
宾克斯binks
-
Michell Instruments
-
瑞士TBM
-
SKF斯凯孚
-
Stromag
-
HAVER & BOECKER
-
HIMMEL technologies
-
Walther Spritz
-
CEDS DURADRIVE
-
Sauter Feinmechanik
-
BREVINI -DANA布雷维尼
-
weka维卡
-
VOITH福伊特
-
LASE
-
Single
-
eDAQ 中国代理
-
IKM Instrutek
-
coax
-
suco
-
TWK
-
Schneider Electric
-
RUD+SpanSet
-
Rexroth-力士乐
-
TANDLER
-
Engel
-
HOHNER
-
HAZET
-
Elobau
-
P+F/倍加福
-
Balluff/巴鲁夫
-
IFM/易福门
-
wago
-
Wandres
-
R. STAHL
-
AREVA
-
BARKSDALE
-
EGE
-
Sitema--代理
-
WIKA威卡
-
FSG--代理
-
EA/ END Armaturen
-
Frizlen
-
ABB
-
Rauscher & Stoecklin
-
LINOS光学
-
S+R automation systems
-
FLOVEX
-
walther-praezision
-
SKYLOTEC
-
motrona
-
Tiefenbach梯芬巴赫
-
EUROTHERM 欧陆
-
G.Bee
-
Menzel Metallchemie
-
EWO / ewo H. Holzapfe--代理
-
AK Regeltechnik
-
Sera
-
WEBER-HYDRAULIK
-
HO-MATIC
-
Bridgehill
-
Vahle-法勒
-
Gemue-盖米
-
HOERBIGER-贺尔碧格
-
STAEUBLI--代理
-
Hegenscheidt--代理
-
Bauer Gear Motor--代理
-
HYDROTECHNIK--代理
-
HPS
-
Eaton
-
Keller
-
sunfab
-
speck
-
Steute世德
-
Munters蒙特
-
Proportion-Air
-
FISCHER Mess- und Regeltechnik
-
留 言
- 联系人:浦赟
- 电 话:021-20363107
- 手 机:18964582730
- 邮 箱:office32@silkroad24.com
- 地 址:上海浦东新区川沙王桥路999号1034-1035幢
- 网 址: https://silkroad24puyun.cn.goepe.com/
http://www.honsberg24.com






